

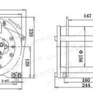
W156-5-6-55
| 钢绳层数 Rope layer | n° | 1 | 2 | 3 | 4 |
| 单绳拉力 Line pull | Kgf | 560 | 460 | 430 | 400 |
| 绳索速度(30L/1’) Rope speed | m/1’ | 33 | 35 | 37 | 40 |
| 光滑卷筒容绳Rope capacity smooth drum | m | 12 | 26 | 40 | 55 |
| 带槽卷筒容绳量Rope capacity grooved drum | |||||
| 提升压力 Hoisting pressure | 16Mpa | ||||
| MAX/小泵流量 Max-min pump delivery | 60/15l/1” | ||||
| 马达排量 Motor displacement | 50cc/r | ||||
| 齿轮齿数比 Gear ratio | 0.045833333 | ||||
| A=进油口 Hoisting port | 16x1.5 | D=泄 油 口 Drain port | G1/4 | 钢绳直径 | 6m |
| B=回油口Lowering port | L | 144 | 整机重量 | 46kg |
W156-9-8-43
| 钢绳层数 Rope layer | n° | 1 | 2 | 3 | 4 |
| 单绳拉力 Line pull | Kgf | 900 | 830 | 760 | 700 |
| 绳索速度(30L/1’) Rope speed | m/1’ | 31 | 33 | 35 | 37 |
| 光滑卷筒容绳Rope capacity smooth drum | m | 9 | 20 | 31 | 43 |
| 带槽卷筒容绳量Rope capacity grooved drum | |||||
| 提升压力 Hoisting pressure | 16Mpa | ||||
| MAX/小泵流量 Max-min pump delivery | 60/15l/1” | ||||
| 马达排量 Motor displacement | 80cc/r | ||||
| 齿轮齿数比 Gear ratio | 0.045833333 | ||||
| A=进油口 Hoisting port | 16x1.5 | D=泄 油 口 Drain port | G1/4 | 钢绳直径 | 8m |
| B=回油口Lowering port | L | 150MM | 整机重量 | 48kg |
W156-12-8-44
| 钢绳层数 Rope layer | n° | 1 | 2 | 3 | 4 |
| 单绳拉力 Line pull | Kgf | 1200 | 1100 | 1010 | 940 |
| 绳索速度(30L/1’) Rope speed | m/1’ | 24 | 26 | 29 | 30 |
| 光滑卷筒容绳Rope capacity smooth drum | m | 10 | 20 | 31 | 44 |
| 带槽卷筒容绳量Rope capacity grooved drum | |||||
| 提升压力 Hoisting pressure | 16Mpa | ||||
| MAX/小泵流量 Max-min pump delivery | 60/15l/1” | ||||
| 马达排量 Motor displacement | 100cc/r | ||||
| 齿轮齿数比 Gear ratio | 0.045833333 | ||||
| A=进油口 Hoisting port | 16x1.5 | D=泄 油 口 Drain port | G1/4 | 钢绳直径 | 8m |
| B=回油口Lowering port | L | 154MM | 整机重量 | 48kg |
156系列液压绞车 2023-5-29 本文被阅读 3541次
| 上一条:156S系列液压绞车 | 下一条:FRE系列车轮液压马达 |










