BM2系列马达

——

产品分类
— PRODUTC —
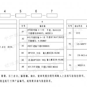
  • BM2车轮系列
    1. BM2车轮系列BM2车轮系列BM2车轮系列BM2车轮系列BM2车轮系列BM2车轮系列BM2车轮系列BM2车轮系列BM2车轮系列BM2车轮系列BM2车轮系列BM2车轮系列

BM2车轮系列

地址:山东省济宁市任城区聚源电商小镇4号楼21号 

电话/微信:135-0638-8161(张经理)
电话/微信:135-8376-7126(李经理)
电话:0537-2635166
传真:0537-2635199   2310286


er

信息详情

small4_16896661352371061


BM2车轮系列 2023-6-16 本文被阅读 2439次
上一条:BM1刹车马达下一条:FRE系列车轮液压马达

同类产品